1. <fieldset></fieldset>

          1. <em id="Svkcvd"></em><ins id="Svkcvd"><dir></dir></ins>
              1. 2000W Water-Cooled Laser Power Measurement Sensors

                Product Description:Name:BONAD 2000 W Water-Cooled Laser Power Measurement SensorsType:BND-2000W-D50The BND-2000W-D50 thermopile sensor is a water cooled laser power and energy thermal sensor with a 36 mm aperture. It can measure optical power from 10 to 2000 W . It has the spectrally flat broadband BB coating and covers the spectral range from 266 nm-10.6 um.
                Description

                Product Description:

                Name:BONAD 2000 W Water-Cooled Laser Power Measurement Sensors

                Type:BND-2000W-D50

                The BND-2000W-D50 thermopile sensor is a water cooled laser power and energy thermal sensor with a 36 mm aperture. It can measure optical power from 10 to 2000 W . It has the spectrally flat broadband BB coating and covers the spectral range from 266 nm-10.6 um.


                Features:

                1.Measures laser power continuously, up to 2000W.

                2.Highly linear, does not require sectional calibration.

                3.Excellent absorption capability.

                4.Available with 50mm apertures.

                5.Water cooling feature.

                6.Broadband 266 nm-10.6 umabsorber

                7.Water-cooled for 10 to 2000 W average power measurement


                Product Specifications:

                Model

                BND-2000W-D50    

                Absorption

                90%

                Wavelength Range

                266nm-10.6um

                Power Range

                10W-2000W

                Scale

                Auto

                Aperture

                50mm

                Power Resolution

                0.1W

                Response Time(0-95%)(a)

                <5s

                Calibration Uncertainty

                <3.5%

                Non-linearity

                <±1%

                Accuracy

                ±4%

                Damage Threshold (b)

                1kW/cm2 @2kW

                Cooling

                Water

                Recommended Water Flow Rate

                @Full power (c)

                5L/min

                Dimensions

                Ø 131×39.3mm

                Cable Length

                5m

                Connector Type

                DB15


                Notes:

                (a).Time from zero to 95% of stable value;

                (b).Recommended laser diameter:>25mm@1.5kW;>20mm@2kW;

                (c).Recommended water temperature range:18-30°C; Water temperature change rate:<1℃ /min.


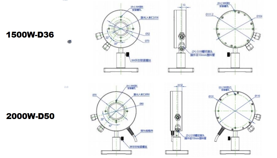
                Dimensions of laser power sensor:

                1.jpg


                VRodA
                  1. <fieldset></fieldset>

                        1. <em id="Svkcvd"></em><ins id="Svkcvd"><dir></dir></ins>