1. <fieldset></fieldset>

          1. <em id="Svkcvd"></em><ins id="Svkcvd"><dir></dir></ins>
              1. IEC61032 Test Probe 41 BND-41

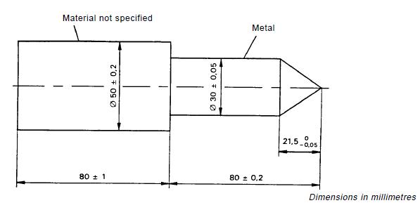
                Product Description:Technical Parameters:1,Test Rod Diameter: 30mm2, Rigid Finger Length:80mm3,Handle Diameter:50mm4,Handle Length:80mm5, According to : IEC61032:1997 Figure 16
                Description

                Product Description:

                Technical Parameters:

                1,Test Rod Diameter: 30mm

                2, Rigid Finger Length:80mm

                3,Handle Diameter:50mm

                4,Handle Length:80mm

                5, According to : IEC61032:1997 Figure 16


                Appliance :

                This probe is intended to verify the protection against access to glowing heating elements.


                IEC61032 Test Probe 41-1

                IEC61032 Test Probe 41-2

                WpBAc
                  1. <fieldset></fieldset>

                        1. <em id="Svkcvd"></em><ins id="Svkcvd"><dir></dir></ins>